データ構造(Data Structures)
データ構造(Data Structures)とは
セル(cell)の集合にある構造を与えたもの
セル(cell)とは
データを格納する基本単位(最小単位)、「要素」ともいう
ポインタ(pointer)とは
ポインタには、データのメモリ上の場所を示すアドレスが格納されている。アドレス値が入っていないポインタをヌルポインタという
ヌルポインタ(null pointer)
アドレス値0のポインタ、何もさしていない
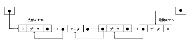
リスト(list)
リスト(list)とは
セルが0個以上連結されたデータ構造
リストには、配列と連結リストがある(注意 「リスト=連結リスト」 と説明される場合が多い)
配列(array)
データがメモリ上連続して格納されている。
連結リスト(linked list)
データがポインタによりつながっており、メモリ上はバラバラに格納されている。
連結リスト 要素(セル)へのアクセス
例 データCをアクセスする
先頭からポインタをたどってデータCをアクセスする(順番にアクセスすることからシーケンシャルアクセスという)
配列 要素(セル)へのアクセス
例 データCをアクセスする
要素番号(添え字)でアクセスするため、1回の命令でアクセスできる(このようなアクセスをランダムアクセスという)
連結リスト 要素(セル)の挿入と削除
例 データAとデータBの間にデータCを挿入する
プログラムではデータの数に関係なく、次の2行で処理できる
- データAのポインタを、データCのアドレスで置き換える
- データCのポインタを、データBのアドレスで置き換える
例 以下のリストからデータBを削除する
プログラムではデータの数に関係なく、次の2行で処理できる
- データAのポインタを、データCのアドレスで置き換える
- データBのポインタを、ヌルポインタで置き換える
配列 要素(セル)の挿入と削除
例 データAとデータBの間にデータFを挿入する
プログラムでは、
1.データBから後ろのデータをひとつずつ右側にずらしコピーする(ずらしコピーを行う要素の数だけ命令が実行される)
2.ずらしコピーで空いた場所に、データFを書き込む
例 データAとデータBの間にあるデータFを削除する
プログラムでは、
1.データBから後ろのデータをひとつずつ左側にずらしコピーする(ずらしコピーを行う要素の数だけ命令が実行される)
2.データFは、データBで上書きされる
連結リストの種類
連結リストには、次の3つの種類がある
- 単方向リスト
- 双方向リスト
- 環状リスト
※単方向リストと双方向リストを、線形リストとよぶ
単方向リスト
データを片方にしか、たどれない連結リスト
双方向リスト
データを両方から、たどれる連結リスト
環状リスト
全要素が環状につながっているリスト
例題1 図は単方向リストを表している。“東京”がリストの先頭であり、そのポインタには次のデータのアドレスが入っている。また、“名古屋”はリストの最後であり、そのポインタには0が入っている。
アドレス150に置かれた“静岡”を、“熱海”と“浜松”の間に挿入する。
例題2 次のような双方向のポインタをもつリスト構造のデータがある。社員Gを社員Aと社員Kの間に追加する。追加後のポインタの値を埋めなさい。
追加前の双方向リストを図で書きなさい
追加後の双方向リストを図で書きなさい
確認問題
1.データ構造(Data Structures)とは、( a )の集合にある構造を与えたものである
2.セル(cell)とは、データを格納する( a )のことである。
3.( a )には、データのメモリ上の場所を示すアドレスが格納されている。
4.アドレス値が入っていないポインタを( a )という
5.セルが0個以上連結されたデータ構造を( a )という
6.リストには、( a )と( b )がある(注意 「リスト=( c )」 と説明される場合が多い)
7.配列と連結リストのパフォーマンス比較。セルへのアクセスが高速なのが( a )、セルの削除・挿入が高速なのが( b )である
8.連結リストには、( a )、( b )、( c )の3種類がある
9.単方向リストの構造を図で書きなさい
10.双方向リストの構造を図で書きなさい
11.環状リストの構造を図で書きなさい
基本情報対策問題
1.図は単方向リストを表している。“東京”がリストの先頭であり、そのポインタには次のデータのアドレスが入っている。また、“那須塩原”はリストの最後であり、そのポインタには0が入っている。
アドレス150に置かれた“小山”を、“大宮”と“宇都宮”の間に挿入する。挿入後のポインタの値を記入しなさい。
2.次のような双方向のポインタをもつリスト構造のデータがある。大宮を浦和の次に追加する場合、追加後の表のポインタを埋めなさい。

















